SHVSF 高压固态软起动装置
首页 » 产品 » 电能质量-电压控制与恢复 » SHVSF 高压固态软起动装置

loading

分享到:

SHVSF 高压固态软起动装置

  • 控制高压交流电机的启动

  • SHVSF

  • 室内室外

  • 三和电力

状态:

PDF导出

SHVSF系列高压固态软起动装置采用大功率电力电子技术和数字处理技术,通过交流斩 波,控制高压大功率电机的智能平滑起动和停车,降低起动电流和机械应力,避免对电网的 冲击和喘振、水锤效应等影响。 本装置采用智能控制方式,根据用户实际工况灵活设置起动转矩、起动电流、起动时间 和停机时间等参数和多种控制模式,广泛应用于市政、水处理、石化、冶金、矿山、水泥和 机械制造等行业,是目前高压电动机起停控制的最优方式。


产品特点



具有电压斜坡、突跳电压斜坡、限流斜坡等多种起动和自由、电压减速等多种停车控制模式,满足所有工况需求;

HMI采用7寸彩色液晶触摸屏,人机界面友好,显示直观清晰,操作简单便捷;采用高性能数字处理器,功能强大,响应快速,具备优异的自诊断分析、全面的数据采集计算、完善的元件级和系统级保护功能和丰富的现场工业通讯接口;功率半导体一次和二次电路均采用模块化结构设计,在保证散热性能的同时实现了紧凑化设计,节省占地面积,免维护;

控制和触发系统采用光电及电磁隔离,抗干扰能力强,触发同步性好,运行可靠。




型号说明


高压软起动


使用环境

海拔高度

≤1000m,大于1000m时每升高100m,降容1%

环境温度

-10~+40°C

相对湿度

0%~85%(+25°C),无凝露

周围介质

无爆炸、易燃等足以破坏绝缘或腐蚀金属的气体,无导电尘埃
安装地点 无剧烈振动及颠簸,安装倾斜度不大于5°


执行及参照标准

GB/T 3096-2006

《3.6~40.5kV交流金属封闭开关设备和控制设备》
GB/T 34927-2017 《电动机软起动装置通用技术条件》


主要技术参数


类别

说明

额定电压(kV)

3
6 10

主回路组成(SCRs)

12 18 30

电压允差(%)

+10~15

负载类型

三相高压交流异步电动机

频率(Hz)

50

频率允差(%)

+4

瞬时过压保护

均压保护器和阻容吸收网络

冷却方式

AN

旁路接触器

具备直起容量的接触器

控制方式 三线制


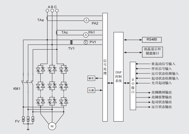
电气原理图

高压软起动1

软起动装置检测到外部起动命令时,当微处理器检测到同步信号后,对主回路可控硅相位角触发进行控制,逐渐增加电机端的电流和电压,从而平滑起动电机。在此过程中,RC阻容吸收单元吸收可控硅反向关断时的尖峰电压;均压电阻擎制可控硅电压,保证串联回路中每只可控硅电压相等。光纤触发保证了控制器与高压可控硅之间的电气隔离,同时保证了触发信号不受电磁干扰。显示屏选用触摸屏,内置菜单,可实现各项人机交互操作,包括参数设置,数据和状态实时显示等。触摸屏采用RS232方式与微控制器通讯,按照不同配置要求触摸屏可使用7寸、10.1寸等。


产品外形尺寸及选型说明

装置外形尺寸与容量适配表如下:


型号

额定电压kV

额定容量kW

柜体尺寸(WxDxH mm)

重量kg

SHVSF1600/6

6

1600 1000x1500x2300 800
SHVSF3150/6

6

3150 1400x1650x2300 950
SHVSF6000/6

6

6000 1600x1650x2300 1100
SHVSF2500/10

10

2500 1000x1500x2300 850
SHVSF5000/10 10 5000 1400x1650x2300 950
SHVSF-10000/10 6 10000 1600x1700x2300 1400

注:未在表中列出的容量参照较大且最接近的容量规格,重量可能稍有不同;更大容量或特殊尺寸请垂询我司。

高压软起动2


上一条: 
下一条: 

关于我们

三和电力是国家级专精特新"小巨人"企业。公司深耕于电能质量、分布式新能源系统和双碳能效工程领域。研发技术处于行业领先水平,广泛应用于各行业、为客户提供从产品研发、生产制造到销售服务的一站式系统解决方案。

快速链接

产品分类

联系我们

电话:075526749992 
邮箱:samwha2002@vip.163.com

现在订阅

版权所有© 2023 深圳市三和电力科技有限公司| 网站地图 | 领动技术支持 | 粤ICP备15006875号-1