SUAR系列 三相不平衡自动调节装置
首页 » 产品 » 电能质量-三相不平衡调节 » SUAR系列 三相不平衡自动调节装置

loading

分享到:

SUAR系列 三相不平衡自动调节装置

状态:

PDF导出

三和电力的治理三相不平衡系列产品,由UARM三相不平衡自动调节模块与其他功能模块组合而成,实现客户对三相不平衡治理以及其他要求。三和电力SUAR三相不平衡自动调节装置是用于解决低压配网未端普遍存在的三相负载不平衡所导致的重载相电压偏低超过限值、三相无功不平衡及功率因数低问题的最佳选择;此外,根据客户需要,产品还兼有无功补偿和谐波治理功能的选择。模块通过采集配电线路的电流、电压信号按照三相不平衡、无功、功率因数和谐波滤除的需求合理快速的补偿系统无功、滤除谐波和调节三相不平衡,使主线系统功率因数控制到0.99,谐波滤除率在85%及以上,三相不平衡调节在5%以内。从而使变压器使用寿命延长,提高其有效输出容量,降低损耗,提高配电网电能质量,改善用电环境。

产品特点:

功率模块逆变器采用国际著名品牌的IGBT器件

多控制模式,可根据需求自由设定

具备完整的保护功能,包括过载、过流、短路等,具备系统启动自诊断功能

具有缓冲启动控制回路,能够避免自启动瞬间过大的投入电流

控制系统和逆变器之间采用隔离传输信号,避免电磁信号的干扰,装置工作更加稳定可靠

分相独立控制,能同时实现单相/三相补偿

内置无线通讯模块,可实现不接触操作,设置参数及读取信息

可选配外置通讯模块,能实现远程监控和数据采集

装置采用柱上安装,维护调试简单,运输方便

型号说明:

三相不平衡1.png

技术性能指标

型号

SUAR-0.4/50

SUAR-0.4/75

SUAR-0.4/100

系统参数

标准电压

0.4kV

输入电压范围

80%~120%

电网频率

50Hz(60Hz)土5%

整机效率

>97.5%

接线方式

三相四线

电路拓扑

三电平

性能指标

三相平衡补偿能力

不平衡度<5%

额定容量

50kvar

75kvar

100kvar

无功补偿输出

容性输出或感性输出

补偿电流

75A

100A

150A

响应时间

<5ms

保护功能

输出过流,电网过压,系统过温,相序错序,谐振保护,同步失效,频率偏差,短路保护等

通讯方式

通讯接口

RS485

通讯协议

Modbus

机械特性

尺寸

850x335x850mm

850x345x1000mm

880x365x1086mm

颜色

不锈钢本身

重量

60kg

70kg

120kg

安装方式

户外安装

使用条件

运行温度

-20°C~+50°C

海拔高度

<1500m(每增加100米,补偿容量降低1%)

IP等级

IP44

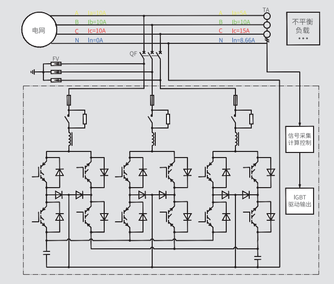
工作原理

三相不平衡1.2.png

三相电压支撑原理

SUAR采样补偿点电压,通过内部DSP处理分析,当电压超过调压上限(Umax)时,SUAR输出感性电流,降低电压;当电压低于调压下限(Umin)时,SUAR输出容性电流,提升电压,确保各相电压稳定在正常范围内。

上一条: 
下一条: 

关于我们

三和电力是国家级专精特新"小巨人"企业。公司深耕于电能质量、分布式新能源系统和双碳能效工程领域。研发技术处于行业领先水平,广泛应用于各行业、为客户提供从产品研发、生产制造到销售服务的一站式系统解决方案。

快速链接

产品分类

联系我们

电话:075526749992 
邮箱:samwha2002@vip.163.com

现在订阅

版权所有© 2023 深圳市三和电力科技有限公司| 网站地图 | 领动技术支持 | 粤ICP备15006875号-1